
产品描述Product Description
KLM306X 器件包括一个砷化镓红外发射二极管和一个单晶硅芯片的过零光电双向晶闸管组成,属于零交叉双向可控硅驱动器光耦。
功能图Functional Diagram

产品特点Product Features
◆峰值击穿电压: 600V
◆输入与输出间高隔离电压(Viso=3750Vrms)
◆过零电压Zerovoltage crossing
◆工作温度:-40℃~+110℃
◆符合ROHS、REACH和无卤要求
产品应用Product Applications
◆电磁阀/阀门控制器Solenoid/valve controls
◆灯光控制Light controls
◆静态电源开关Staticpower switch
◆交流电机驱动器ACmotordrivers
◆电动机接触器E.M.contactors
◆温度控制器Temperature controls
◆交流电机启动器ACMotorstarters
◆高速风筒High-speed blower
光电特性Electrical-Optical Characteristics

电气特性Electrical Characteristics

传输特性Transfer Characteristics

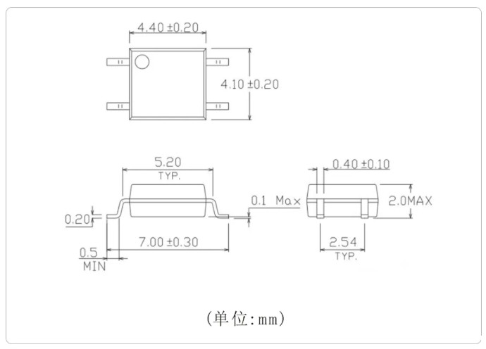
封装尺寸Package Drawing

卓越品质 对标高端光耦品牌
